CIMC 60 Ton Tri-Axle Low Bed Trailer With Side Extensions
CIMC 60 Ton Tri-Axle Low Bed Trailer With Side Extensions is optimized for the efficient loading and transportation of heavy machinery and equipment, the best solution for heavy-duty transport solution ! Payload: 60 Ton
Get a Quote
KEY SPECIFICATIONS OF CIMC 60 Ton Tri-Axle Low Bed Trailer With Side Extensions
CIMC 60 Ton Tri-Axle Low Bed Trailer With Side Extensions is wider and longer than standard trailers, it can easily accommodate oversized loads. Its low-deck design effectively lowers the center of gravity, enhances stability during transportation, and facilitates the loading and unloading of heavy cargo,making it the ideal choice for the efficient loading and transportation of heavy machinery and equipment. Built with a robust frame and a non-slip platform, it is well-equipped to meet the long-haul transportation needs of various heavy-duty engineering equipment such as excavators, loaders and cranes, providing a safe and efficient solution for oversized cargo delivery.
CIMC has nearly 30 years of experience in the design and production of low bed semi trailers, and has formed a full range of products.
.png)
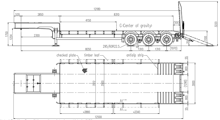
PARAMETER
| Overall Dimension(L*W*H) | 12500×3512×3220mm |
| Extended bracket | 0.25cm each side |
| Payload | 60,000kg |
| Axle | FUWA 16 ton axle, 3 set |
| Suspension | Mechanical suspension |
| Landing Leg | JOST E100 |
| Tire | 295/60R22.5. 13pcs |
| Loading Platform Size(L*W) | 8310x3000mm |
| Unladen Platform Height | 1100mm |
| Loading Ramp | Hydraulic ramp |
Related Products

CIMC 70 Ton 13.5m 5 Axle Low Bed Trailer
| Payload | 70 ton |
| Platform Size | 9653×3000 mm |
| Platform Height | 1001 mm |

CIMC 60 Ton 16.3m Four Axle Low Bed Trailer
| Payload | 60 ton |
| Platform Size | 12300×3200 mm |
| Platform Height | 1080 mm |

- Service and full trailer included
- Possibility of changing the trailer to a newer one on a regular basis
- Predictable costs of operating the trailer

